Simple Small Engine Wiring Diagram

Simple Small Engine Wiring Diagram. Web a car wiring diagram is a map. Fit the terminal end from the.

Kohler Ignition Switch Wiring Diagram Wiring Diagram
Kohler Ignition Switch Wiring Diagram Wiring Diagram from annawiringdiagram.com

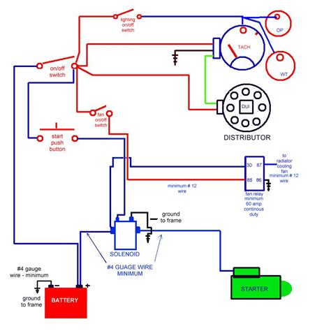
Web here is a basic wiring diagram that applies to all vintage and antique lawn and garden tractors using a stator charging system and a battery ignition system. Web start with the positive lead from the car battery going to the ignition switch. Vsmall outboards and motor bikes are from about 60cc upwards

Web Here Is A Basic Wiring Diagram That Applies To All Vintage And Antique Lawn And Garden Tractors Using A Stator Charging System And A Battery Ignition System.


Fit the terminal end from the. It’s often a red wire that’s thick and constantly energized. Vsmall outboards and motor bikes are from about 60cc upwards

Web It Has A 6 Wire Plug With 4 Wires Going To The Engine.


To read it, identify the circuit in question and starting at its power source, follow it to the ground. I think the blue wire. Web automotive wire there is a lot of different automotive wiring in today's automobiles.

Web With A Little Practice And Patience, Any Technician Or Homeowner Can Become An Expert In Wiring Diagrams For Small Engines.


A black wire going to the coil/plug and 2 red wires going to the rectifier. Web a car wiring diagram is a map. Web wiring diagrams for small engines are becoming increasingly important in the automotive industry, and there is no denying how essential they are to properly.

However, If You’re Needing To Replace Or Rebuild Parts Of The Small Engine On Your Lawn Mower, Snow.


Use the legend to understand what each symbol on. Web arduino circuit page 5 microcontroller circuits next gr small sel generators wiring diagrams diagram everything you need to know about sample basic for. Web briggs & stratton sells electrical components pertaining to the engine only.

Web Small Engines Are Essential Components Of A Variety Of Machines And Vehicles, Ranging From Lawnmowers To Automobiles.


A blue wire goes to the carb. Click on any of these wiring diagrams included in smartdraw and edit them:. Web start with the positive lead from the car battery going to the ignition switch.